Description
Gravdonkraft fra AC Hydraulik / 7 modeller
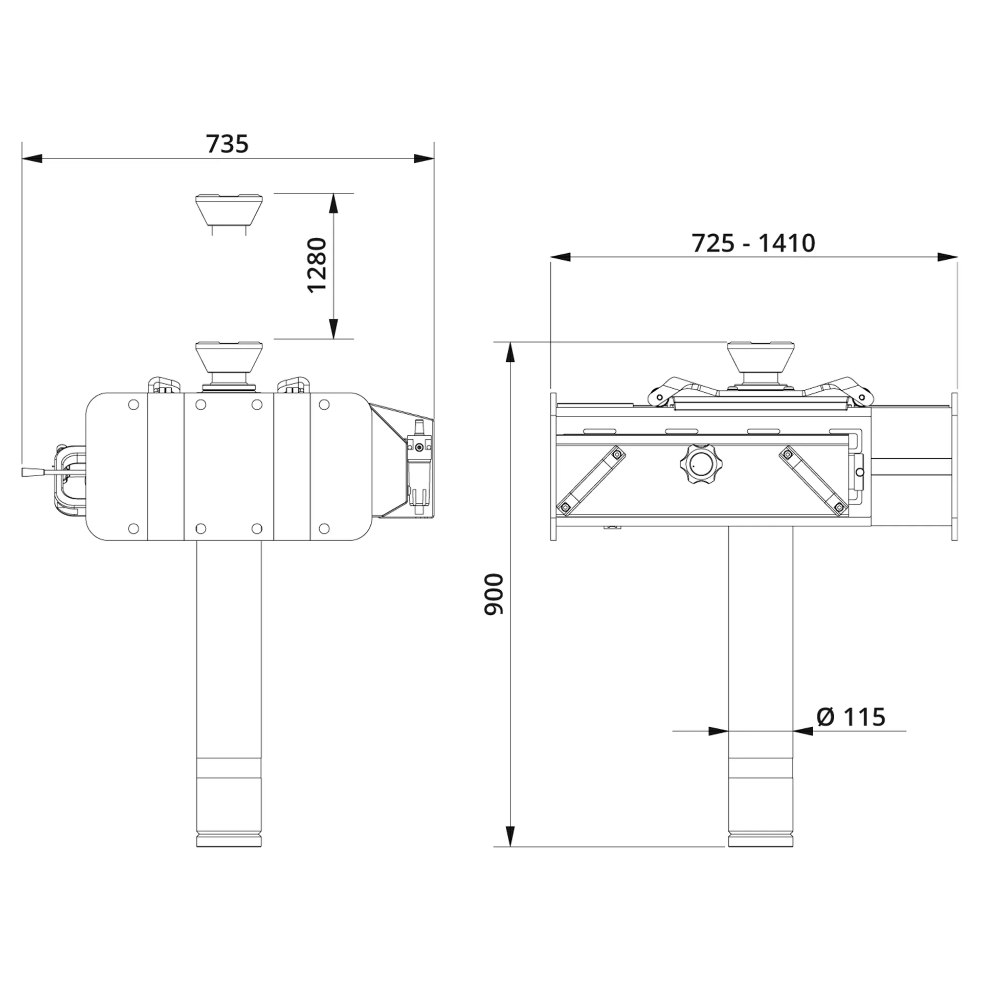
GD-1
STANDARD LUFTHYDRAULISK GRAVDONKRAFT MED 1 CYLINDER
Model Kapacitet Beskrivelse
GD100-1 10,0 t Standard lufthydraulisk gravdonkraft med 1 cylinder
GD150-1 15,0 t Standard lufthydraulisk gravdonkraft med 1 cylinder
GD200-1 20,0 t Standard lufthydraulisk gravdonkraft med 1 cylinder
GD150-1 15,0 t Standard lufthydraulisk gravdonkraft med 1 cylinder
GD200-1 20,0 t Standard lufthydraulisk gravdonkraft med 1 cylinder
Ophæng bestilles separat. Udfyld målskema
Hurtig og præcis lufthydraulik med ilgang op og ned
Enkelt og moderne design med betjeningspanel i ergonomisk korrekt arbejdshøjde
Passer til alle grave pga. justerbar ramme

GARANTI :

FORLÆNGET GARANTIPERIODE
Alle produkter produceret efter 1. januar 2017 er omfattet af 10 års garanti på rammer, chassis og stålkonstruktioner samt 3 års garanti på det hydrauliske system (pumpe og cylinder).
Alle produkter produceret efter 1. januar 2017 er omfattet af 10 års garanti på rammer, chassis og stålkonstruktioner samt 3 års garanti på det hydrauliske system (pumpe og cylinder).
FULDSTÆNDIG SOM DET PLEJER AT VÆRE
Garantien dækker udskiftning af dele om følge af fejl i materialer og/eller fremstillingen. Stålkonstruktioner er dækket i 10 år – hydrauliske systemer i 3 år (pumpe og cylinder).
Garantien dækker ikke skader forårsaget af ulykke, misbrug, forsømmelse, forkert vedligeholdelse eller almindelig slitage.
Garantien dækker udskiftning af dele om følge af fejl i materialer og/eller fremstillingen. Stålkonstruktioner er dækket i 10 år – hydrauliske systemer i 3 år (pumpe og cylinder).
Garantien dækker ikke skader forårsaget af ulykke, misbrug, forsømmelse, forkert vedligeholdelse eller almindelig slitage.
VI STOLER PÅ VORES KVALITET
Der er ikke ændret i hverken betingelser eller sagshåndtering. Der er udelukkende tale om, at vi stoler nok på vores kvalitet til at udvide garantien til 10 år / 3 år.
Der er ikke ændret i hverken betingelser eller sagshåndtering. Der er udelukkende tale om, at vi stoler nok på vores kvalitet til at udvide garantien til 10 år / 3 år.
GRAVDONKRAFTE-GD1
GDT

TELESKOPISK LUFTHYDRAULISK GRAVDONKRAFT
Sænket design fordobler anvendelighed i forhold til standard gravdonkrafte
Lav konstruktionshøjde med en lang slaglængde
Hurtig og præcis lufthydraulik med ilgang
Enkelt og moderne design med betjeningspanel i ergonomisk korrekt arbejdshøjde

GRAVDONKRAFT, DER PASSER TIL ALLE GRAVE
Justerbare ramme som får donkraften til at passe i alle grave
FLEKSIBEL OG ALSIDIG
Sideværts forskydbar løftecylinder – låser ved 800 kg
SIKKERHED
Dødmandsudløser og sikkerhedsventil for optimal sikkerhed
PASSER ENHVER GRAV
Vores gravdonkraft fås i en række forskellige rammebredder, så de passer til enhver grav, du måtte have. Vores brede udvalg af standard- eller brugerdefinerede ophæng sikrer, at gravdonkraften og din grav fungerer problemfrit sammen.
725 – 890 mm Bredde
850 – 1150 mm Bredde
1110 – 1410 mm Bredde
GRAVDONKRAFTE-2

GD-2
LUFTHYDRAULISK GRAVDONKRAFT MED 2 CYLINDRE
2 individuelt styrbare løftecylindre giver et sikkert og afbalanceret løft
Hurtig og præcis lufthydraulik med ilgang
Enkelt og moderne design med betjeningspanel i ergonomisk korrekt arbejdshøjde
Sideværts forskydbar løftecylinder
Passer til alle grave pga. justerbar ramme

FLEKSIBEL OG JUSTERBAR

Løftesadlens højde kan tilpasses efter individuelle behov
TILBEHØR
Bredt program af ekstra tilbehør: travers, aflastningsbro m.m.
FORLÆNGERE MEDFØLGER
Leveres med 2 stk. 100 mm forlængere

GD-2M
LUFTHYDRAULISK GRAVDONKRAFT MED 2 CYLINDRE OG MEKANISK SIKKERHEDSLÅS
2 individuelt styrbare løftecylindre giver et sikkert og afbalanceret løft
Hurtig og præcis lufthydraulik med ilgang
Enkelt og moderne design med betjeningspanel i ergonomisk korrekt arbejdshøjde
Sideværts forskydbar løftecylinder
Passer til alle grave pga. justerbar ramme

GGD150F
LUFTHYDRAULISK GULVGRAVDONKRAFT MED TELESKOPCYLINDER
Fleksibel gravdonkraft til anvendelse i både grav og under en lift
Klarer alle traditionelle løfteopgaver
Teleskopcylinder gør den ideel til udtagning og montering af gearkasser
Fjederaflastede hjulophæng sikrer mod utilsigtede bevægelser ved tunge løft over 800 kg

GGD150U
LUFTHYDRAULISK GULVGRAVDONKRAFT MED FORSKYDBAR TELESKOPCYLINDER
Fleksibel gravdonkraft til anvendelse i både grav og under en lift
Sideværts forskydbar cylinder sikrer stor rækkevidde under køretøjet og gør det nemt at bevæge sig rundt i graven
Den forskydbare teleskopcylinder gør donkraften ideel til udtagning og montering af gearkasser
Fjederaflastede hjulophæng sikrer mod utilsigtede bevægelser ved tunge løft over 800 kg

HURTIG PRÆCIS
Hurtig og præcis luftpumpe med ilgang op og ned, der sparer dig tid og øger din effektivitet
FODPUMPE
Indbygget manuel fodpumpe til finjustering af stempel
SIKKERHED
Præcis sænkning og optimal sikkerhed med dødmandsudløser og indbygget sikkerhedsventil

GGD150U
Kapacitet 15 t / Slaglængde 12851 mm / Min. højde 920 mm / Max. højde 2205 mm / Forskydbar cylinder 250mm / Platform bredde 845 mm
Platform dybde 1075 mm / Cylinderdiameter 60 mm / Forsyningstryk 8 – 10 bar / Min. luftforbrug 350 – l/min / Vægt 250 kg
Varenummer 5901500

GGD150S
SKINNEFØRT LUFTHYDRAULISK GRAVDONKRAFT MED SIDEVÆRTS FORSKYDBAR CYLINDER
Sideværts forskydbar cylinder sikrer stor rækkevidde under køretøjet og gør det nemt at bevæge sig rundt i graven
Platformens hjul er forsynet med lejer for optimal manøvredygtighed
Teleskopcylinder gør den ideel til udtagning og montering af gearkasser
Hurtig og præcis lufthydraulik med ilgang op og ned


FODPUMPE
Indbygget manuel fodpumpe til finjustering af højden
ERGONOMI
Betjeningspanel i ergonomisk korrekt arbejdshøjde sparer tid og reducerer belastningen for operatøren
SIKKERHED
Dødmandsgreb og overtryksventil for maksimal sikkerhed
GGD150S

Kapacitet 15 t / Slaglængde 1285 mm / Min. højde 905 mm / Max. højde 2190 mm / Platform bredde According to pit width /
Platform dybde 940 mm / Cylinderdiameter 60 mm / Forsyningstryk 8 – 10 bar / Min. luftforbrug 350 – l/min / Vægt 250 kg /
Varenummer 5901000
SE FLERE DONKRAFTE HER




























































